手動蝶閥|矩形手動蝶閥|矩形蝶閥
丁寶勤 13906276368(技術)
電話:0513-88400999 傳真:0513-88400998 郵箱:jszk@vip.163.com
性能參數:
公稱壓力 Nominal pressure | 介質流速 Medium velocity | 泄漏率 Leakage ratio | 適用溫度 Suitable temperature | 適用介質 Suitable medium |
0.05MPa | ≤ 28 m/s | ≤ 1.5 % | ≤ 300℃ | 空氣、粉塵氣體等 Air, gas with powder etc |
外形連接尺寸:
DN | D | D1 | B | b | n-d | E | E1 | H | H1 |
100 | 160 | 135 | 80 | 4 | 4- Φ 10 | 140 | 180 | 150 | 200 |
120 | 180 | 155 | 80 | 4 | 4- Φ 10 | 145 | 190 | 150 | 200 |
125 | 185 | 160 | 80 | 4 | 4- Φ 10 | 148 | 193 | 150 | 200 |
130 | 190 | 165 | 80 | 4 | 8- Φ 10 | 150 | 195 | 150 | 200 |
140 | 200 | 175 | 80 | 4 | 8- Φ 10 | 155 | 205 | 150 | 200 |
150 | 210 | 185 | 80 | 4 | 8- Φ 10 | 160 | 210 | 150 | 200 |
160 | 220 | 195 | 80 | 4 | 8- Φ 10 | 165 | 215 | 200 | 200 |
180 | 240 | 215 | 80 | 4 | 8- Φ 10 | 175 | 225 | 200 | 200 |
200 | 260 | 235 | 80 | 4 | 8- Φ 10 | 185 | 235 | 200 | 200 |
220 | 280 | 255 | 80 | 4 | 8- Φ 10 | 210 | 347 | 200 | 200 |
250 | 310 | 285 | 100 | 6 | 12- Φ 10 | 225 | 365 | 350 | 200 |
280 | 340 | 315 | 100 | 6 | 12- Φ 10 | 240 | 380 | 350 | 200 |
320 | 380 | 355 | 100 | 6 | 12- Φ 10 | 260 | 400 | 350 | 200 |
360 | 440 | 405 | 120 | 8 | 16- Φ 12 | 280 | 420 | 350 | 200 |
390 | 470 | 435 | 120 | 8 | 16- Φ 12 | 295 | 435 | 350 | 200 |
400 | 480 | 445 | 120 | 8 | 16- Φ 12 | 300 | 440 | 450 | 250 |
450 | 530 | 495 | 120 | 8 | 16- Φ 12 | 325 | 465 | 450 | 250 |
500 | 580 | 545 | 120 | 8 | 20- Φ 12 | 350 | 490 | 450 | 250 |
560 | 640 | 605 | 120 | 8 | 20- Φ 12 | 380 | 520 | 450 | 250 |
600 | 680 | 645 | 120 | 8 | 20- Φ 12 | 420 | 540 | 600 | 250 |
630 | 710 | 675 | 120 | 8 | 20- Φ 12 | 435 | 555 | 600 | 250 |
700 | 780 | 745 | 140 | 8 | 20- Φ 12 | 470 | 612 | 600 | 250 |
800 | 880 | 845 | 140 | 8 | 24- Φ 12 | 520 | 665 | 600 | 250 |
900 | 980 | 945 | 140 | 8 | 24- Φ 12 | 570 | 715 | 600 | 250 |
1000 | 1100 | 1055 | 160 | 10 | 28- Φ 14 | 620 | 845 | 600 | 250 |
1120 | 1220 | 1175 | 160 | 10 | 28- Φ 14 | 680 | 905 | 600 | 250 |
1200 | 1300 | 1255 | 160 | 10 | 28- Φ 14 | 720 | 945 | 600 | 250 |
結構特點:
手動蝶閥采用優質鋼板焊接而成,設計新穎、結構簡單實用、體積小、重量輕、流阻小、啟閉力矩小,調節輕松自如、靈活可靠,開度指示顯著、清晰、準確,便于觀察和操作,能有效地控制氣體流量,是各種風管系統中理想的調節設備。
性能參數:
公稱壓力 Nominal pressure | 介質流速 Medium velocity | 泄漏率 Leakage ratio | 適用溫度 Suitable temperature | 適用介質 Suitable medium |
0.05MPa | ≤ 28 m/s | ≤ 1.5% | ≤ 300℃ | 空氣、粉塵氣體等 Air, gas with powder etc |

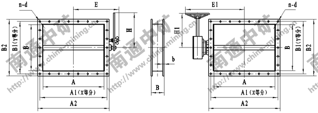
外形連接尺寸:
A × B | A1 × B1 | A2 × B2 | B | b | n-d | X | Y | H | H1 | E | E1 |
120 × 120 | 155 × 155 | 180 × 180 | 80 | 4 | 8- Φ 10 | 2 | 2 | 150 | 200 | 140 | 190 |
160 × 120 | 195 × 155 | 220 × 180 | 80 | 4 | 8- Φ 10 | 2 | 2 | 150 | 200 | 165 | 215 |
160 × 160 | 195 × 195 | 220 × 220 | 80 | 4 | 8- Φ 10 | 2 | 2 | 150 | 200 | 165 | 215 |
200 × 160 | 235 × 195 | 260 × 220 | 80 | 4 | 8- Φ 10 | 2 | 2 | 150 | 200 | 185 | 235 |
200 × 200 | 235 × 235 | 260 × 260 | 80 | 4 | 8- Φ 10 | 2 | 2 | 200 | 200 | 185 | 235 |
250 × 120 | 285 × 155 | 310 × 180 | 100 | 6 | 10- Φ 10 | 3 | 2 | 150 | 200 | 225 | 365 |
250 × 160 | 285 × 195 | 310 × 220 | 100 | 6 | 10- Φ 10 | 3 | 2 | 150 | 200 | 225 | 365 |
250 × 200 | 285 × 235 | 310 × 260 | 100 | 6 | 10- Φ 10 | 3 | 2 | 200 | 200 | 225 | 365 |
250 × 250 | 285 × 285 | 310 × 310 | 100 | 6 | 12- Φ 10 | 3 | 3 | 200 | 200 | 225 | 365 |
320 × 160 | 355 × 195 | 380 × 220 | 100 | 6 | 10- Φ 10 | 3 | 2 | 200 | 200 | 260 | 400 |
320 × 200 | 355 × 235 | 380 × 260 | 100 | 6 | 10- Φ 10 | 3 | 2 | 300 | 200 | 260 | 400 |
320 × 250 | 355 × 285 | 380 × 310 | 100 | 6 | 12- Φ 10 | 3 | 3 | 300 | 200 | 260 | 400 |
320 × 320 | 355 × 355 | 380 × 380 | 100 | 6 | 12- Φ 10 | 3 | 3 | 300 | 200 | 260 | 400 |
400 × 200 | 445 × 245 | 480 × 280 | 120 | 8 | 12- Φ 12 | 4 | 2 | 300 | 250 | 300 | 440 |
400 × 250 | 445 × 295 | 480 × 330 | 120 | 8 | 14- Φ 12 | 4 | 3 | 300 | 250 | 300 | 440 |
400 × 320 | 445 × 365 | 480 × 400 | 120 | 8 | 14- Φ 12 | 4 | 3 | 300 | 250 | 300 | 440 |
400 × 400 | 445 × 445 | 480 × 480 | 120 | 8 | 16- Φ 12 | 4 | 4 | 300 | 250 | 300 | 440 |
500 × 200 | 545 × 245 | 580 × 280 | 120 | 8 | 14- Φ 12 | 5 | 2 | 350 | 250 | 350 | 490 |
500 × 250 | 545 × 295 | 580 × 330 | 120 | 8 | 16- Φ 12 | 5 | 3 | 350 | 250 | 350 | 490 |
500 × 320 | 545 × 365 | 580 × 400 | 120 | 8 | 16- Φ 12 | 5 | 3 | 350 | 250 | 350 | 490 |
500 × 400 | 545 × 445 | 580 × 480 | 120 | 8 | 18- Φ 12 | 5 | 4 | 350 | 250 | 350 | 490 |
500 × 500 | 545 × 545 | 580 × 580 | 120 | 8 | 20- Φ 12 | 5 | 5 | 350 | 250 | 350 | 490 |
630 × 250 | 675 × 295 | 710 × 330 | 120 | 8 | 18- Φ 12 | 6 | 3 | 450 | 250 | 435 | 555 |
630 × 320 | 675 × 365 | 710 × 400 | 120 | 8 | 18- Φ 12 | 6 | 3 | 450 | 250 | 435 | 555 |
630 × 400 | 675 × 445 | 710 × 480 | 120 | 8 | 20- Φ 12 | 6 | 4 | 450 | 250 | 435 | 555 |
630 × 500 | 675 × 545 | 710 × 580 | 120 | 8 | 22- Φ 12 | 6 | 5 | 450 | 250 | 435 | 555 |
630 × 630 | 675 × 675 | 710 × 710 | 120 | 8 | 24- Φ 12 | 6 | 6 | 450 | 250 | 435 | 555 |
800 × 320 | 845 × 365 | 880 × 400 | 140 | 8 | 20- Φ 12 | 7 | 3 | 500 | 250 | 520 | 665 |
800 × 400 | 845 × 445 | 880 × 480 | 140 | 8 | 22- Φ 12 | 7 | 4 | 500 | 250 | 520 | 665 |
800 × 500 | 845 × 545 | 880 × 580 | 140 | 8 | 24- Φ 12 | 7 | 5 | 500 | 250 | 520 | 665 |
800 × 630 | 845 × 675 | 880 × 710 | 140 | 8 | 26- Φ 12 | 7 | 6 | 500 | 250 | 520 | 665 |
800 × 800 | 845 × 845 | 880 × 880 | 140 | 8 | 28- Φ 12 | 7 | 7 | 500 | 250 | 520 | 665 |














